Actuator IC 40SA3AR10
- Features a safety closing feature using butterfly valve BVHS
- Torque: 3.0Nm
- Analogue Input: 4-20 mA
- Feedback potentiometer: 0-1000 Ω
- For complex applications with programmable functions for flexible adjustment to the process, with statistics and error history to support service personnel
- IC 40 adds more functions than IC 20 Actuators
- A position indicator that can be read externally
- Spacious connection chamber for easy installation
- Actuator can be mounted directly onto the butterfly valves BVG or BVH
Learn More:
Documentation Accessories Applications Specifications

Accessories
| Model and Description | Price | Cart |
| IC-20/40 ACC 01 Fastening set IC-BVG/BVA/BVH/LFC /B |
Contact Us | Not available for online purchase. |
| IC-20/40 ACC 02 Attachment set IC 20/IC 40 single application /B |
Contact Us | Not available for online purchase. |
| PCO 200 Optical Adapter for BC Soft with USB interface, includes CD-ROM |
Contact Us | Not available for online purchase. |
| For all other accessories Contact Combustion 911 | ||
Applications (click on image for close-up view)
IC 40, staged control
For processes that require a homogeneous temperature distribution in the furnace. The actuator IC 40 is controlled by a two-point controller and operates in On/Off or High/Low intermittent mode. The actuator closes when the voltage supply is interrupted. The running time can be adjusted between 5 and 25 seconds.
IC 40, staged control with three burner output levels
For processes that require a homogeneous temperature distribution in the furnace and three burner output levels. The actuator IC 40 is controlled by a programmable controller and works in High/Medium/Low or High/Medium/Low/Off intermittent operation. This allows the ignition stage to be started. The pressure switch provides failsafe monitoring of the maximum pilot air volume. The actuator running time can be adjusted between 5 and 50 (75) seconds.
IC 40, continuous control by three-point step signal
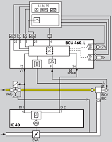
The actuator IC 40 is controlled by the three-point step controller 3PS and moves the butterfly valve BVA to the ignition position. The burner starts. Once the burner is operating, the operation signalling contact of the burner control unit BCU 460 closes. The BCU issues the Controller enable signal to the temperature controller. The butterfly valve opens or closes between the low-fire and high-fire rate positions depending on the capacity demand of the burner. When the three-point step signal is disconnected, the butterfly valve stops at its current position. If both inputs on the IC 40 (DI 1 and DI 2) are actuated after the burner has been shut down, the butterfly valve closes further than the low-fire rate position.
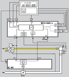
IC 40, staged control with pre-purge
The central control system starts the pre-purge. Input DI 2 is actuated via the air valve output of the BCU and moves the butterfly valve BVA to the pre-purge position. In the event of a temperature demand, the burner control unit BCU actuates input DI 1 via the valve output V1 and moves the butterfly valve to the ignition position. (Precondition: the IC 40 must have reached the ignition position on the instant of ignition.) The burner starts. To activate the high-fire rate, DI 2 is actuated via the air valve output on terminal 26 of the BCU. The butterfly valve moves cyclically between the high fire rate position and the low-fire rate position.
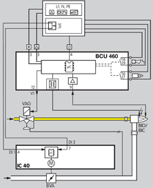
IC 40, continuous control with defined ignition position
The central control system starts the pre-purge. Input DI 2 is actuated via the air valve output of the BCU and moves the butterfly valve BVA to the pre-purge position. In the event of a temperature demand, the burner control unit BCU actuates input DI 1 via the valve output V1 and moves the butterfly valve to the ignition position. (Precondition: the IC 40 must have reached the ignition position on the instant of ignition.) The burner starts. The BCU actuates DI 2 via the air valve output. This enables the analogue input AI on the actuator IC 40. Depending on the capacity demand of the temperature controller, the butterfly valve BVA moves steplessly to the position between the low-fire rate and the high-fire rate as specified by the analogue input AI.
Specifications
| Electrical | |
| Mains voltage: | IC 40: 100 – 230 V AC, ±10%, 50/60 Hz, the actuator automatically adjusts to the respective mains voltage; IC 40T: 120 V AC, ±10%, 60 Hz. |
| Power consumption: | 8.4 W |
| Switch-on peak current: | max. 8 A for max. 10 ms. |
| Holding torque: | Torque as long as permanent supply voltage is applied. |
| Angle of rotation: | 0 – 90°, adjustable. |
| 2 digital inputs: | IC 40: 24 V DC or 100 – 230 V AC each, IC 40T: 24 V DC or 120 V AC each. |
| Current requirement of digital inputs: | 3 mA ± 1.5 mA. |
| 1 analogue input (optional): | 4 – 20 mA (IC 40T: Class 2) (internal load impedance max. 500 Ω at 20 mA). |
| Potentiometer (optional): | 1000 Ohm +/- 20%, linearity tolerance +/- 2%, max. capacity 0.25 W (IC 40T: Class 2), conductive plastic element. |
| 2 digital outputs: | signalling contacts designed as relay change-over contacts. |
| Contact current of digital outputs: | min. 5 mA (resistive) and max. 2 A. |
| Relay Contacts: | The relay contacts can be connected to 100 – 230 V AC or 24 V DC (IC 40T: 120 V or 24 V). If the contacts have been connected with a voltage > 24 V and a current> 0.1 A once, the gold plating on the contacts will have been burnt through. This contact can then only be connected with this power rating or higher power rating. |
| 2 LED status displays: | Blue LED for operation “ON”, Drive in motion = Slow flashing light; Manual operation = Fast flashing light; Drive stopped = Permanent light. Red LED for warnings and faults, Warning = Permanent light; Fault = Flashing light. Red and blue LED simultaneously, Calibration in progress = Flashing light. |
| General | |
| Enclosure: | IP 65 pursuant to IEC 529 |
| Protection class: | impact-resistant and heat-resistant plastic |
| Electrical connection: | Line entrance: 3 × M20 plastic screw connectors. |
| Ambient temperature: | -20 to 60°C, no condensation permitted. |











